
- கேப்பிங் ஹெட்ஸ்: 2pcs சர்வோ-மோட்டோ டிரைவிங்
- மின்னழுத்தம்: 220V, 50/60HZ;
- சக்தி: 3.0Kw
- காற்றழுத்தம்: 0.5–0.7Mpa
- ஆம்பியர்: 8.5A
- வேகம்: 40-45/நிமிடம் (ஜாடிகளின் வடிவங்கள் மற்றும் அளவுகளுக்கு ஏற்ப தனிப்பயனாக்கப்பட்டது)
- பொருத்தமான தயாரிப்பு விட்டம்: φ28-φ125mm மூடிகள் (தரமற்ற தனிப்பயனாக்கம்)
- சுரப்பி தேர்ச்சி விகிதம்: ≥99.5% (மூடி மற்றும் பாட்டில் பிழையைப் பொறுத்து)
- இயந்திர அளவு: 3300*1150மிமீ*1908மிமீ
- எடை: 450 கிலோ
நீங்கள் இயந்திரத்தின் சக்தியை இயக்குவதற்கு முன். பாதுகாப்பு விஷயங்கள் மற்றும் இயந்திரத்தின் சரியான பயன்பாட்டிற்காக இந்த கையேட்டை கவனமாக படிக்கவும். பணியாளர் விபத்துகளைத் தவிர்க்கவும், இயந்திர சேதத்தின் அதிர்வெண்ணைக் குறைக்கவும்.
அரிக்கும் பொருட்களில், அரிக்கும் பொருள்கள் இயந்திரம் மற்றும் பணியாளர்கள் மீது தொட்டு அல்லது தெறிப்பதைத் தவிர்க்க கவனமாக இருங்கள்.
- அதிர்வு அல்லது மோதலுக்கு உட்பட்ட இடங்களில் இயந்திரத்தைப் பயன்படுத்துவதைத் தவிர்க்கவும்.
- இயந்திரம் இயங்கும் போது, ஊழியர்களின் உடல் நகரும் பாகங்களைத் தொட முடியாது.
- அதிக ஈரப்பதம் உள்ள இடங்களில் இயந்திரம் தவிர்க்கப்பட வேண்டும். பாதுகாப்பு விபத்தைத் தவிர்க்க, அதை மின்சார விநியோகத்தில் உள்ளிடவும், தரை கம்பி சரியாக தரையிறக்கப்பட்டது.
- ஆபரேட்டர் ஒரு சாதாரண உடல் மற்றும் மன நிலையை பராமரிக்க வேண்டும், நீங்கள் மது, தூக்க மாத்திரைகள் அல்லது உங்கள் மனநிலைக்கு தீங்கு விளைவிக்கும் பிற மருந்துகளை எடுத்துக் கொண்டால், இயந்திரத்தை இயக்குவதை நிறுத்துங்கள்.
- ஆபரேட்டர் உருட்டல் பாகங்களில் ஆடையின் ஈடுபாட்டினால் ஏற்படும் காயத்தைத் தவிர்க்க பொருத்தமான ஆடைகளை அணிய வேண்டும் மற்றும் இயந்திரத்தில் எந்த வெளிப்புற பொருட்களையும் வைக்கக்கூடாது.
- பயன்பாட்டின் போது சத்தம் அல்லது பிற அசாதாரணங்கள் ஏற்பட்டால், உடனடியாக நிறுத்தி, சரிபார்க்கவும். பொறியியல் அல்லாத தொழில்நுட்ப வல்லுநர்கள், இயந்திர பாகங்களை தன்னிச்சையாக மாற்ற வேண்டாம்.
- இயந்திரத்தை சுத்தம் செய்யும் போது வழக்கமான (வாரத்திற்கு ஒருமுறை) பராமரிப்பு மற்றும் பராமரிப்பு, தண்ணீர் அல்லது திரவ தெறித்தல் மற்றும் மின்னணு கட்டுப்பாட்டு பெட்டிகள் அல்லது பிற மின் கூறுகளை தவிர்த்தல்.
- தயவு செய்து சாதாரண இயக்க நடைமுறைகளின்படி செயல்படவும் மற்றும் இயந்திரத்தின் மேற்பரப்பை சுத்தமாகவும் நேர்த்தியாகவும் பராமரிக்கவும்.
கேப்பர் இயந்திரம் அனைத்து வகையான ஒப்பனை, மருந்து, கால்நடை மருத்துவம், பூச்சிக்கொல்லி, மசகு எண்ணெய் மற்றும் பிற தொழில்துறை துறைகளில் பேக்கேஜிங் செயல்பாட்டில் பயன்படுத்தப்படுகிறது.





ஜாடி கேப்பிங் இயந்திரத்தின் கொள்கை மற்றும் அம்சங்கள்:
- மின் தானியங்கி கட்டுப்பாடு, அது நிலையானது;
- கேப்பிங் பொசிஷனிங் சாதனம், பூட்டப்பட்ட கவர் தரநிலையுடன், செயல்பாடு வசதியானது;
- லாக் கவர் ஒரு பரவலான, பல்வேறு வடிவங்கள் தொப்பி குறிப்புகள் சுழற்ற முடியும்;
- கேப்பிங் வேகம், ஸ்பின் சிறை, அதே நேரத்தில் ரீவைண்டிங்கின் இறுக்கத்தை சரிசெய்ய வேண்டிய தேவைக்கு ஏற்ப இருக்கலாம்.


ஒப்பனை ஜாடிகளை மூடும் இயந்திரத்தின் அடிப்படை அளவுருக்கள்:

1. கேப்பிங் ஹெட்ஸ்: 2pcs சர்வோ-மோட்டோ டிரைவிங்
2. மின்னழுத்தம்: 220V, 50/60HZ
3. சக்தி: 3.0Kw
4. காற்றழுத்தம்: 0.5--0.7Mpa
5. ஆம்பியர்: 8.5A
6. வேகம்: 40-45/நிமிடம் (ஜாடிகளின் வடிவங்கள் மற்றும் அளவுகளுக்கு ஏற்ப தனிப்பயனாக்கப்பட்டது)
7. பொருத்தமான தயாரிப்பு விட்டம்:φ28-φ125mm மூடிகள் (தரமற்ற தனிப்பயனாக்கம்)
8. சுரப்பி தேர்ச்சி விகிதம்:≥99.5% (மூடி மற்றும் பாட்டில் பிழையைப் பொறுத்து)
9. இயந்திர அளவு:3300*1150மிமீ*1908மிமீ
10. எடை:450கிலோ
ஹோஸ்ட் பகுதி விளக்கம்


பவர் சுவிட்ச்: பவர் சப்ளை ஆன்-ஆஃப்.
பவர் இன்டிகேட்டர்: பவர் ஆன்—பச்சை விளக்கு ஆன், பவர் ஆஃப்—கிரீன் லைட் ஆஃப்.
எமர்ஜென்சி ஸ்டாப்: இயந்திரத்தை உடனடியாக நிறுத்த அல்லது அவசர அல்லது தவறின் போது செயல்பாட்டை மீட்டமைக்கப் பயன்படுகிறது.
1. ஒளிமின்னழுத்தத்தைத் தொடங்கவும்: இயந்திரம் செயல்பாட்டில் உள்ளது, ஒளிமின்னழுத்த கண்டறிதல் ஒரு பாட்டில் இருப்பதையும் மூடி இருப்பதையும் கண்டறிந்தால், டர்ன்டேபிள் வேலை செய்யத் தொடங்கும். இரண்டு ஒளிமின்னழுத்தங்களில் ஒன்று கண்டறியப்படவில்லை என்றால், டர்ன்டேபிள் சுழலவில்லை.
2. தோற்றம் ஒளிமின்னழுத்தம்: டர்ன்டேபிள் பொசிஷனிங்கை இயக்க, ஸ்டெப்பிங் மோட்டாரைக் கட்டுப்படுத்த இது பயன்படுகிறது, இதனால் பாட்டிலை கவரில் சீராகச் செருக முடியும்.
3. தொப்பி ஒளிமின்னழுத்தம்: கவர் இடத்தில் உள்ளதா என்பதைச் சரிபார்த்து, சுழற்றுவதற்கு ஒரு கவர் டர்ன்டேபிள் இருப்பதை ஒளிமின் மூலம் கண்டறியவும்.
4. கவர் ஒளிமின்சக்தி: மேல் அட்டை இயந்திரத்தின் தொடக்கம் மற்றும் நிறுத்தத்தைக் கட்டுப்படுத்துதல், மேல் அட்டை இயந்திரத்தால் வழங்கப்பட்ட அட்டையானது ஒளிமின்னழுத்தத்தால் கண்டறியப்பட்ட நிலைக்கு வரிசைப்படுத்தப்படும் போது, ஒளிமின்மை எப்போதும் பிரகாசமாக இருக்கும், அட்டைக்கான அட்டை இயந்திரம் நிறுத்தப்படும், மேலும் நுண்ணறிவு அட்டை செயல்படுத்தப்படுகிறது. .
5. பூட்டு அட்டை ஒளி மின்சாரம்: மூடியுடன் கூடிய பாட்டில் கடந்து செல்லும் போது, ஒளிமின்னழுத்த கண்டறிதல் கண்டறியப்படுகிறது, மற்றும் பூட்டு கவர் அமைக்கப்பட்ட தாமத நேரத்திற்கு ஏற்ப செயல்படுத்தப்படுகிறது (இயந்திரம் சரிசெய்யப்படும்போது கன்வேயர் பெல்ட்டின் வேகத்திற்கு ஏற்ப குறிப்பிட்ட அளவுருக்கள் சரிசெய்யப்படுகின்றன).
6. பூட்டு அட்டை அமைப்பு: மூடியுடன் கூடிய பாட்டில் அதே, ஒளிமின்னழுத்த தொடக்க தாமதம், சிலிண்டர் கிளாம்ப் பாட்டிலுக்கு தாமதம், பூட்டு தொப்பி குறைக்கப்பட்டது, கிரிப் கவர் - ஸ்க்ரூ கேப் - கிரிப்பர் வெளியீடு - பூட்டு தொப்பி எழுகிறது - கிளிப் பாட்டில் தளர்த்தப்பட்டது, மற்றும் பூட்டு தொப்பி செயல்முறை முடிந்தது. பூட்டு அட்டையில், 1# பூட்டு கவர் பூட்டு கவரில் இருக்கும் போது, மற்றொரு பாட்டில் நுழைகிறது. இந்த நேரத்தில், 2# க்ளாம்ப் பாட்டில் சிலிண்டர் நகர்கிறது, மேலும் 2# பூட்டு கவர் செயல்படுத்தப்படுகிறது. பூட்டு கவர்.

மேன்-மெஷின் இடைமுக விளக்கம்

துவக்க பக்கம்
3.1 துவக்கப் பக்கத்தில் ஆங்கிலம், சீன செயல்பாட்டுத் தேர்வு உள்ளது, நீங்கள் சீன பொத்தானைத் தேர்வுசெய்தால், பின்வரும் இடைமுகத்தை உள்ளிடவும்:

இரண்டாவது இடைமுகம்
நிறுத்து: முழு இயந்திரத்தின் தொடக்க சுவிட்ச், இந்த விசையைத் தொடவும், இயந்திரம் தானியங்கி பயன்முறையில் இயங்குகிறது, மீண்டும் இந்த விசையைத் தொடவும், இயந்திரம் இயங்குவதை நிறுத்துகிறது.
சோதனை வாயில்: இயந்திரத்தின் செயல்பாட்டை சோதிக்கவும்.
திருப்பக்கூடிய வேகம்: வேக அளவுரு அதிகமாக இருந்தால், வேகம் வேகமாக இருக்கும், வேக அளவுரு மெதுவாக இருக்கும். (ஆனால் அதிகபட்ச வரம்பு உள்ளது.)
திருப்பக்கூடிய தாமதம்: டர்ன்டபிள் ஸ்டார்ட்-அப் நேர அமைப்புகள், டர்ன்டேபிள் இயங்கும் மென்மையான விளைவுக்கு ஏற்ப.
கேப்பிங் தாமதம்: நியமிக்கப்பட்ட நிலையத்திற்கு டர்ன்டேபிள் சென்ற பிறகு, காத்திருக்கும் நேரத்தை தாமதப்படுத்தவும், சிலிண்டர் நடவடிக்கை தொப்பி.
கேப்பிங் நேரம்: சிலிண்டரை மூடுவதற்கு தேவையான நேரம்.
வெளியீடு: பூட்டு அட்டையின் எண்ணிக்கை, வசதியான உற்பத்தி எண்ணிக்கை ஆகியவற்றின் பதிவை முடிக்கவும். அழிக்க, மீட்டமை-விசையை அழுத்தவும்.
X1. X3. X14: ஒளிமின்னழுத்தமானது பிரதிபலிப்பு வேலை நிலையில் உள்ளதா என்பதைச் சரிபார்க்கவும், இயந்திர நிலையின் செயல்பாட்டை எளிதாகக் காணலாம்,
கேப்பிங் அளவுரு: இந்த விசையை அழுத்தி பின்வரும் இடைமுகத்தை உள்ளிடவும்:

இடைமுகம் என்பது சர்வோ லாக் கவர் அமைப்பில் உள்ள 1 # லாக் ஹெட்டின் ஒவ்வொரு செயலுக்கும் அமைக்கப்படும் அளவுருப் பக்கமாகும், அளவுருக்களின் நியாயமான அமைப்பானது இயந்திரத்தின் நிலைத்தன்மைக்கும் செயல்திறனை மேம்படுத்துவதற்கும் நன்மை பயக்கும்.
திரும்ப: இரண்டாவது இடைமுகத்திற்குத் திரும்ப இந்த பொத்தானை அழுத்தவும்.
I/O: பின்வரும் இடைமுகத்தை உள்ளிட இந்த பொத்தானை அழுத்தவும்:

X தொடர் புள்ளிகள்: ஃபோட்டோ எலக்ட்ரிக் வேலை செய்யும் நிலையில் உள்ளதா, இயந்திரத்தின் செயல்பாட்டைப் பார்ப்பது எளிது, பராமரிப்பு எளிதானதா என்பதைக் கண்டறியும் உள்ளீடு புள்ளி.
Y தொடர் புள்ளிகள்: பின்னூட்டத்தின் இயல்பான நிலையின் நிர்வாக கூறுகளின் வெளியீட்டுப் புள்ளி, செயல்படுத்தும் கூறுகள் இயல்பானதா என்பதைச் சோதிக்க கட்டுப்பாட்டு விசையை கைமுறையாக அழுத்தவும்.
தொப்பி ஊட்டி அமைப்பு: மறைப்பதற்கு பரிந்துரைக்கப்பட்ட திசையின் படி நிலையான மற்றும் ஒழுங்காக இருக்க முடியும்.
சாய்வு சரிசெய்தல்: தலைகீழ் மூடி ஸ்லைடில் ஏறாமல் கட்டுப்படுத்த நியாயமான கோணத்தை சரிசெய்யலாம்.
அதிர்வெண் மாற்றி ஒழுங்குமுறை: அட்டையின் வேகத்தை கட்டுப்படுத்தவும்.


ஜாடி கேப்பிங் உபகரணங்கள் பராமரிப்பு:
1. பாதுகாப்பை உறுதி செய்வதற்காக பவர் ஆஃப் மற்றும் கேஸ் ஆஃப் ஆகிய நிலையில் இயந்திரத்தை பராமரிக்கவும். இயந்திரத்தை சுத்தமாகவும் நேர்த்தியாகவும் வைத்திருங்கள், இயந்திரத்தில் பொருட்கள் எதுவும் இல்லை, சிறிய பொருட்கள், பாகங்கள், போல்ட் போன்றவை இல்லை.
2. மற்றும் பொறிமுறையின் நல்ல இயங்கும் நிலையை உறுதி செய்வதற்காக மசகு எண்ணெய் தொடர்ந்து நகரும் பகுதி பொறிமுறையில் சேர்க்கப்படுகிறது.
3. ஏர் ஃபில்டர் யூனிட்டிலிருந்து தவறாமல் தண்ணீரை விடுவித்து, சிலிண்டரின் சரியான பயன்பாட்டை உறுதிசெய்யவும், சேவை ஆயுளை நீட்டிக்கவும் மசகு எண்ணெயைச் சேர்க்கவும்.
4. இயந்திரத்தை தவறாமல் சரிபார்த்து சரிசெய்யவும். இயந்திரம் நன்றாக வேலை செய்கிறது என்பதை உறுதிப்படுத்த, கண்பார்வை மற்றும் காது மூலம் கருவியின் இயங்கும் நிலையை மதிப்பிடவும்.
குறிப்பு: அறிவுறுத்தல்களின்படி கண்டிப்பாகப் பயன்படுத்தவும் பராமரிக்கவும், உத்தரவாதக் காலம் திறக்க மற்றும் பிரிப்பதற்கு கண்டிப்பாக தடைசெய்யப்பட்டுள்ளது, இல்லையெனில் இதனால் ஏற்படும் சேதம் மனித சேதம், இலவச பழுது இல்லை. இந்த அறிவுறுத்தல் அறிவிப்பு இல்லாமல் மாற்றத்திற்கு உட்பட்டது; இந்த இயந்திரத்தின் செயல்பாட்டைப் பற்றி இன்னும் ஏதேனும் நிச்சயமற்ற நிலை இருந்தால், விசாரணைக்கு எந்த நேரத்திலும் எங்களை அழைக்கவும்
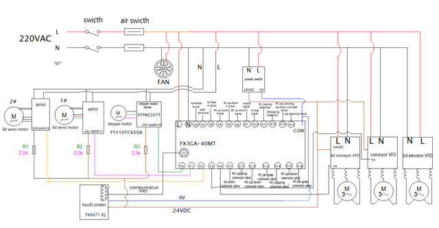
இணைக்கப்பட்ட மின் திட்டம்:

முடிக்கப்பட்ட சீல் செய்யப்பட்ட தொப்பிகள் ஜாடி கேப்பிங் இயந்திரத்தின் மாதிரிகள்:





மதிப்பெண்கள்: தொப்பிகள் காரணமாக சதுரமான கருப்பு ஜாடிகள் கீறப்படுவதற்கு வாய்ப்புள்ளது, இது தட்டுகளில் இருந்து ஜாடிகளின் தொப்பிகளை வெளியே இழுத்து மூடி மூடும் செயல்முறைக்காக கேப்பிங்-ரெடி ஸ்டேஷனில் வைக்க பிக்-அப் அமைப்புடன் வடிவமைக்கப்பட்டுள்ளது. விரிவான செயல்பாட்டுக் கொள்கை பின்வருமாறு விளக்கப்பட்டுள்ளது: வேலை செயல்முறை:
1. தட்டில் தொப்பிகளை கைமுறையாக வைப்பது (15*15 அல்லது 10*10)

2. தட்டுக்களை தயார்-பிக்-அப் நிலையத்தில் வைப்பது
3. ரோபோக்கள் ஜாடிகளை எடுக்கின்றன

4. பாட்டில்களை நிலைநிறுத்துதல் மற்றும் கேப்பிங் செயல்முறை நிறைவு
5. மூடிய ஜாடிகளின் வெளியீடு











