
- கேப்பிங் வேகம்: 15-30 துண்டுகள் / நிமிடம்
- மதிப்பிடப்பட்ட மின்னழுத்தம்: 110V/60Hz(US ஸ்டாண்டர்ட்)
- இயந்திர சக்தி: 0.8KW
- ஆம்பியர்: 2.2A
- வெளிப்புற பரிமாணம்: 2230*1460*1600 MM(L*W*H)
- காற்று அழுத்தம்: 0.7 MPa
- எடை: சுமார் 300 கிலோ
பாட்டில்களை மூடும் இயந்திரத்தைத் தொடங்குவதற்கு முன் அறிவிப்பு
1: இயந்திரம் செருகப்படுவதற்கு முன், பவர் சுவிட்ச் மூடிய நிலையில் இருப்பதை உறுதிசெய்து, பின்னர் வழிமுறைகளைப் பின்பற்றவும்.
2: இயந்திரம் நீண்ட நேரம் இயங்கவில்லை என்றால், அதை உலர்ந்த துணியால் துடைக்க வேண்டும் மற்றும் எந்த அரிக்கும் துப்புரவு முகவர் மூலம் சுத்தம் செய்யக்கூடாது.
3: இயந்திரத்தின் மின்சாரப் பெட்டியில் எந்த திரவத்தையும் ஊடுருவிச் செல்வது கண்டிப்பாக தடைசெய்யப்பட்டுள்ளது, இதனால் உள் மின் கூறுகளுக்கு அரிப்பைத் தவிர்க்கவும் மற்றும் ஷார்ட் சர்க்யூட்டை ஏற்படுத்தவும்.
4: வடிவமைப்பு மற்றும் தயாரிப்புத் தரங்களின் தேவைகள் மற்றும் இணக்கச் சான்றிதழ்களுடன் அவை பொருந்துகின்றனவா என்பதை உறுதிப்படுத்த, உபகரணங்களின் பேக்கிங் பட்டியல் மாதிரிகள், விவரக்குறிப்புகள் மற்றும் உபகரணங்கள் மற்றும் பொருட்களின் அளவு ஆகியவற்றின் படி சரிபார்க்கவும்.
5: கருவியின் தோற்றத்தைச் சரிபார்த்து, அது எந்தவிதமான சிதைவு, சேதம் மற்றும் அரிப்பு ஆகியவற்றிலிருந்து விடுபட்டுள்ளதா என்பதை உறுதிப்படுத்தவும், மேலும் அவை எந்தத் தடையும் இல்லாமல் நெகிழ்வாகச் சுழல வேண்டும்.
6: இந்த இயந்திரம் ஒற்றை கட்ட AC 110V இன் கீழ் வேலை செய்கிறது, மேலும் தட்டையான 3-கால் பவர் பிளக்கை பவர் சாக்கெட்டில் தரை கம்பி மூலம் செருக வேண்டும்.
தொழில்நுட்ப அளவுருக்கள்

- கேப்பிங் வேகம்: 15-30 துண்டுகள் / நிமிடம்
- மதிப்பிடப்பட்ட மின்னழுத்தம்: 110V/60Hz(US ஸ்டாண்டர்ட்)
- இயந்திர சக்தி: 0.8KW
- ஆம்பியர்: 2.2A
- வெளிப்புற பரிமாணம்: 2230*1460*1600 MM(L*W*H)
- காற்று அழுத்தம்: 0.7 MPa
- எடை: சுமார் 300 கிலோ
கேப்பிங் மெஷின் விவரங்கள்:



இயந்திரத்தின் கட்டமைப்புகள்

ஆப்டிகல் ஃபைபர் எலக்ட்ரிக் கண் விளக்கம்
பாட்டில்களைக் கண்டறியும் மின்சாரக் கண்:

இது தானியங்கி முறையில் இயக்கப்படும் போது, உள்வரும் பாட்டில்களைக் கண்டறிவதே இந்த மின் கண்ணின் நோக்கமாகும்.
உள்வரும் பாட்டில் கண்டறியப்பட்டால், "டர்ன்டேபிள்" சுழலும்.
மூடி-டெலிவரி மின்சாரக் கண்

இது தானியங்கி முறையில் இயக்கப்படும் போது, இந்த மின் கண்ணின் நோக்கம் உள்வரும் அட்டைகளைக் கண்டறிவதாகும்.
உள்வரும் மூடி கண்டறியப்பட்டால், பொருள் எடுப்பதற்கான "எடுத்துக்கொள்ளும் வழிமுறை" உயர்கிறது.
மூடி-டெலிவரி மின்சாரக் கண்

இது தானியங்கி முறையில் இயக்கப்படும் போது: இந்த மின் கண்ணின் நோக்கம் உள்வரும் பாட்டில்களைக் கண்டறிவதாகும்.
உள்வரும் பாட்டில் கண்டறியப்பட்டால், "லாக் கேப் மெக்கானிசம்" பூட்டு தொப்பியை கீழ்நோக்கி சுழற்றுகிறது.
ஸ்விட்ச் பட்டன் மற்றும் வயரிங் போர்ட்
தொடுதிரை மற்றும் அவசர நிறுத்தம்

ஊட்ட மோட்டார் மற்றும் மூடி அதிர்வு தட்டு கட்டுப்படுத்தி

அதிர்வு தட்டு கட்டுப்படுத்தி

அதிர்வு தட்டு கட்டுப்படுத்தி: மின்னழுத்தத்தை சரிசெய்வதன் மூலம், வெளியேற்றும் வேகத்தை சரிசெய்யவும்.
பவர் சுவிட்ச் மற்றும் சாக்கெட்டுகள்

மோட்டார் கட்டுப்படுத்தி

அதிர்வெண் மின்மாற்றி: அதிர்வெண் மின்மாற்றி பொத்தானை சரிசெய்வதன் மூலம், மோட்டார் வேகத்தை சரிசெய்யவும்.
அலாரம் மற்றும் சிக்கலைத் தீர்க்கும் முறை:
1. அவசர நிறுத்தம் அழுத்தப்பட்டது. எமர்ஜென்சி ஸ்டாப்களை மெஷின் கேப் மற்றும் டச் ஸ்கிரீனுக்கு அடுத்ததாக அழுத்தவும்.
2. வெளியீடு செட் மதிப்பை அடைகிறது. வெளியீட்டை அமைக்கவும், தற்போதைய வெளியீட்டை அழிக்க தெளிவான பொத்தானை அழுத்தவும்.
3. நீண்ட காலத்திற்கு தொப்பிகள் கண்டறியப்படாதபோது, தயவுசெய்து சரிபார்க்கவும். பாட்டில் மூடி இண்டக்ஷன் ஃபைபர் நன்றாக வழங்கப்பட்டுள்ளதா என சரிபார்க்கவும். தொப்பிகள் உள்ளதா இல்லையா என்பதைச் சரிபார்க்கவும்.
4. நீண்ட காலத்திற்கு பாட்டில்கள் கண்டறியப்படாதபோது, தயவுசெய்து சரிபார்க்கவும். பாட்டில்கள் உள்ளதா என சரிபார்க்கவும்.
மின் கண் சரிசெய்தல்:
பெருக்கி அமைப்பு

ஆப்டிகல் ஃபைபருக்கான வரைபடம்:

1. ஆப்டிகல் ஃபைபர் லாக் பார்
2. இயக்க நிலை காட்டி
3. அமை
4. DSC காட்டி ஒளி
5. டிஜிட்டல் மானிட்டர்
6. கையேடு பொத்தான்
7. நீட்டிக்கப்பட்ட பாதுகாப்பு கவர்
8. விரிவாக்க இணைப்பு
9. பவர் செலக்டர் ஸ்விட்ச்
10. பயன்முறை பொத்தான்
11. வெளியீடு தேர்வி
12. கேபிள்கள்
13. தூசி பாதுகாப்பு
14. மதிப்பை அமைக்கவும் (பச்சை நிறத்தில்)
15. தற்போதைய மதிப்பு (சிவப்பில்)
ஃபைபர் ஆப்டிகல் அமைப்பிற்கான வேலை செயல்முறை
- மின்சாரக் கண் இடைவெளியில் விழும்போது, சிவப்பு மின்னோட்ட மதிப்பு 144 ஆகும்.
- மின்சாரக் கண் லேபிளில் விழும்போது, சிவப்பு மின்னோட்ட மதிப்பு 4 ஆகும்.
- செட் மதிப்பைச் சரிசெய்யவும்", உடல் தாளில் மின்சாரக் கண் இருக்கும் மதிப்பில் சுமார் 1/2 (கண்டுபிடிக்கப்பட வேண்டிய பொருள்களுக்கு இடையே உள்ள இடைவெளியில்) மற்றும் மின்சாரக் கண் காகிதத்தில் இருக்கும் மதிப்பு (144) 4)/2=74, செட் மதிப்பை 74 ஆக மாற்ற கைமுறை பொத்தானைச் சரிசெய்யவும்.
- லேபிள் இடைவெளியை முன்னும் பின்னுமாக மின்சார கண் இருப்பிடம் மற்றும் சிவப்பு நிற "சிக்னல் லைட்/இண்டிகேட்டர் லைட்" ஆகியவற்றில் நகர்த்தவும்.
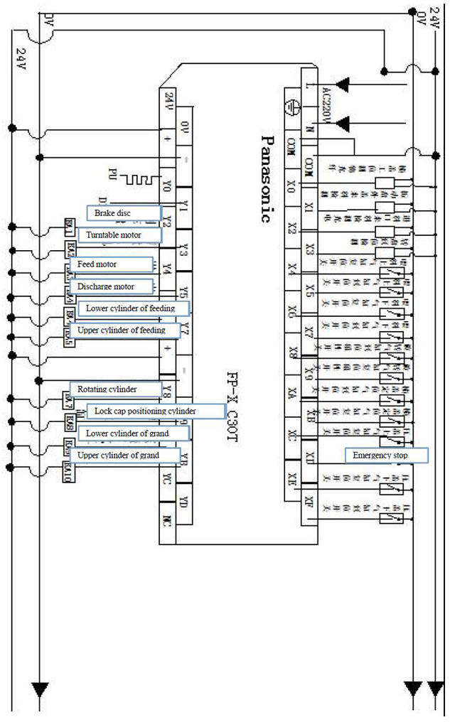
சுற்று வரைபடம்



பராமரிப்பு பாட்டில்கள் மூடும் இயந்திரம்

1. இயந்திரத்தை நீட்டிக்கவும், இயந்திரத்தின் செயல்பாட்டை மேம்படுத்தவும் இயந்திரத்தை சரிபார்த்து பராமரிக்க வேண்டியது அவசியம்;
- வேலை செய்யும் இயந்திரம் ஒவ்வொரு மூன்று மாதங்களுக்கும் பராமரிக்கப்பட வேண்டும்;
- தாங்கி மற்றும் கியர் பரிமாற்றப் பகுதி கிரீஸுடன் உயவூட்டப்பட வேண்டும்;
- உராய்வு அவ்வப்போது செய்யப்பட வேண்டும்;
- ஸ்லைடு வே ஆயில் (N68) ரெசிப்ரோகேட்டிங் மெக்கானிசம் மோஷன் அல்லது ஒவ்வொரு நாளும் இரண்டு முறை தூக்குதல் போன்ற பாகத்தில் சேர்க்கப்பட வேண்டும்;
- ஆட்டோமொபைல் ஆயில்(N68) ரோட்டரி அல்லது ஸ்விங்கிங் பாகங்களில் சேர்க்கப்பட வேண்டும்;
- ஒவ்வொரு அரை மாதமும் கிரீஸை கேம் ஸ்லாட்டில் சேர்க்கவும்;
- ஒவ்வொரு மாதமும் கிரீஸ் சேர்த்து எண்ணெய் முனைக்கு ஒரு முறை;
2. பாகங்கள் அல்லது அச்சு போன்ற பாகங்களில் பிணைப்பு ஒருங்கிணைக்கப்பட்ட மேற்பரப்பை அடிக்க அல்லது சுரண்ட உலோகக் கருவிகளைப் பயன்படுத்த வேண்டாம்.
3. இயந்திரம் நீண்ட நேரம் இயங்குவதை நிறுத்தினால், பரிமாற்றம் அல்லது தாங்கும் பகுதி போன்ற பகுதிகளில் உயவூட்டலுக்கான கிரீஸைச் சேர்க்கவும்; மேலும் இயந்திரத்தை நீர் எதிர்ப்பு பாதுகாப்புடன் கையாளவும்.
4. இயந்திரத்தை சேதப்படுத்தாமல் இருக்க, எந்தப் பொருளையும் இயந்திரத்தில் வைக்க வேண்டாம்.
5. கூறுகளுக்குள் உள்ள தூசியை அவ்வப்போது சுத்தம் செய்யவும், அனைத்து திருகுகளையும் சரிபார்த்து, தளர்வான திருகுகளை சரிசெய்யவும்.
6. ஒரு குறிப்பிட்ட நேரத்தில் வயரிங் டெர்மினல்களில் திருகுகள் சரிபார்த்து மற்றும் திருகு சரி செய்யப்பட்டது உறுதி;
7. மின்சார பெட்டிகளில் இருந்து நீட்டிக்கப்பட்ட வயரிங் பாதையில் ஏதேனும் தளர்வான நிலையம் உள்ளதா என சரிபார்க்கவும்; பகுதி மிகவும் தளர்வாக இருந்தால், மின் கசிவை ஏற்படுத்தக்கூடிய இன்சுலேஷன் லேயரில் ஏற்படும் சிராய்ப்பு அல்லது சேதத்தைத் தவிர்க்க திருகுகளை மீண்டும் சரிசெய்யவும்.
8. எளிதில் அணியும் பேட்களை சரிபார்த்து, சேதமடைந்ததை சரியான நேரத்தில் மாற்றவும்;









