
- VK-BR கண்ணாடி பாட்டில்கள் சலவை இயந்திரம்
- VK-PF எண்ணெய் நிரப்பும் இயந்திரம் 4 தலைகள்
- VK-VC வெற்றிட கேப்பிங் இயந்திரம்
- VK-RPL சுற்று பாட்டில்கள் லேபிளிங் இயந்திரம்
வாடிக்கையாளரின் தேவைகள் மற்றும் வாங்குபவர் வழங்கும் மாதிரிகளுக்கு ஏற்ப முழுமையாக தானியங்கி நிரப்புதல் வரியை தனிப்பயனாக்கலாம். உணவுத் தொழிலுக்கான இந்த முழுமையான தானியங்கி நிரப்பு வரிக்கான அடிப்படைத் தகவல்கள் கீழே பட்டியலிடப்பட்டுள்ளன:
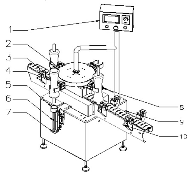
கண்ணாடி பாட்டில்கள் காற்று சலவை இயந்திரம் வெற்றிட வாஷர் உபகரணங்கள்
இது காற்றில் ஒரு தானியங்கி பாட்டில் சலவை இயந்திரம். திறன் காற்று சலவை முனைகள் சார்ந்துள்ளது.
காற்று அமுக்கி காற்றை வெற்றிடக் கொள்கலனுக்குள் கொண்டு செல்கிறது, சோலனாய்டு வால்வு வழியாக வாயு மற்றும் அயன் ஜெனரேட்டர் சுத்திகரிக்கப்பட்டது, மூச்சுக்குழாய் வாயு ஷாம்பு வாயுவை பாட்டில்களில் ஊற்றுகிறது, வாயு அழுத்தத்தின் மூலம் எரிவாயு கழுவும் வாயிலிருந்து வெளிநாட்டை வெளியேற்றுகிறது. பின் மூச்சுக்குழாய் வெளியேற்றக் கட்டுப்பாடு மூலம் கழிவு வாயுவை வெளியில் வெளியேற்றுகிறது.

| 1 | கட்டுப்பாட்டு குழு | 2 | பாட்டில்கள் |
| 3 | பாட்டில்களுக்கு உணவளிப்பதற்கான பெல்ட் | 4 | பாட்டில்களுக்கு உணவளிப்பதற்கான சென்சார் |
| 5 | பாட்டில்கள் பொருத்தும் அமைப்பு | 6 | கழுவுதல் ஊசி |
| 7 | மின்னியல் Tuyere | 8 | பாட்டில்களை சரிசெய்யும் புள்ளி |
| 9 | பாட்டில்களின் வெளியீட்டிற்கான பெல்ட் | 10 | வழிகாட்டி பட்டி |
கண்ணாடி பாட்டில்களுக்கான ரோட்டரி ஏர் வாஷிங் மெஷின் தானியங்கி அடிப்படை அளவுரு:

மாதிரி: VK-BR
பாட்டிலுக்கு ஏற்றது: 20-1000மிலி
உற்பத்தி திறன்: 8 சுத்தம் செய்யும் முனைகள்: 3600~4800bph
காற்றழுத்த வரம்பு: 6~8kg/cm2
காற்று நுகர்வு: 25m3/h
மின்சாரம்: 220V 50/60Hz
மின் நுகர்வு: 0.75Kw
ஒற்றை இயந்திர சத்தம்: ≤70dB
சுத்திகரிக்கப்பட்ட காற்று: 0.2μm
சுத்தம் செய்யும் நேரம்: 3~5வி
நிகர எடை: 350 கிலோ
ஒட்டுமொத்த பரிமாணம்: 1200 x 800 x 1600 மிமீ
எண்ணெய் நிரப்பும் இயந்திரம் 4 தலைகள் நேரியல் நிரப்பு

மைக்ரோகம்ப்யூட்டரால் கட்டுப்படுத்தப்படும் 4 ஹெட்ஸ் ஆலிவ் நிரப்பு இயந்திரம், ஒளிமின்னழுத்தத்தை நியூமேடிக் இயக்கத்துடன் இணைக்கிறது, இதனால் விவசாய இரசாயனம், கரைசல், திரவ சோப்பு, அழகுசாதனப் பொருட்கள் மற்றும் ஆலிவ் ஆகியவற்றின் திரவ நிரப்புதலுக்கு பரவலாகப் பயன்படுத்தப்படுகிறது.
நிரப்புதல் அளவு துல்லியமானது, நுரையற்றது மற்றும் நிலையானது. இயந்திரம் 25-1000 மிலி வரம்பில் திரவத்தை நிரப்ப முடியும், இதற்கிடையில் பாட்டில்களின் வடிவங்களில் சிறப்புத் தேவை இல்லை. அதாவது, இது சாதாரண பாட்டில்கள் மற்றும் இறுகுலா வடிவ பாட்டில்களுக்கான திரவத்தை நிரப்ப முடியும்.

மாதிரி: VK-PF
நிரப்புதல் வரம்பு: 50-3000 மிலி
நிரப்புதல் வேகம்: <20-30b/m (500-1000ml திரவத்திற்கு)
துல்லியம்: ±1%
பவர்/சப்பி பவர்: 0.8kw, 220v
வேலை அழுத்தம்: 5~6kg/cm3
காற்று நுகர்வு: 0.5-0.7mpa
NW: 500 கிலோ
வெளிப்புற பரிமாணம்: 2000×800×1900மிமீ
குறி: நிரப்புதல் வரம்பு மற்றும் நிரப்புதல் வேகத்தில் வாடிக்கையாளர்களின் தேவைகளுக்கு ஏற்ப நிரப்புதல் முனைகளை வடிவமைத்து தயாரிக்கலாம்
லீனியர் வெற்றிட கேப்பிங் மெஷின் Vk-Vc ஜார்ஸ் கேப்பர் உபகரணங்கள்:
இந்த லீனியர் கேப்பிங் மெஷின் பல வருட அனுபவத்துடன் எங்கள் நிறுவனத்தால் ஆராய்ச்சி செய்யப்பட்டு உருவாக்கப்பட்டது, இது உள்நாட்டில் தனித்துவமானது. ஒருங்கிணைக்கப்பட்ட தானியங்கி தொப்பி கவரிங், வெற்றிட கேப்பிங்.
அதிக வெற்றிடத்தை அடைய கையேடு வெற்றிட பம்ப் ஏற்றுக்கொள்ளப்பட்டது. பாட்டில் இல்லை மூடுதல் செயல்பாடுகளுடன், தொப்பிகள் கிடைக்காதபோது கவலையளிக்கிறது. உயர் ஆட்டோமேஷனை அனுபவித்தேன். முக்கிய நியூமேடிக் மற்றும் மின்சார பாகங்கள் உலகப் புகழ்பெற்ற பிராண்டுகளிலிருந்து வந்தவை.
நிலையான மற்றும் நம்பகமான செயல்திறனுடன். பதிவு செய்யப்பட்ட உணவு, பானங்கள், சுவையூட்டிகள், சுகாதாரப் பொருட்கள் போன்ற தொழில்களில் இரும்புத் தொப்பிகளைக் கொண்ட கண்ணாடி ஜாடிகளை வெற்றிட மூடுவதற்கு இது பரவலாகப் பயன்படுத்தப்படுகிறது.

சக்தி: ≤2.3KW (வெற்றிட பம்ப் உட்பட)
உற்பத்தி திறன்: 50-60BPM
தொப்பி விட்டம்: ¢30-¢55 மிமீ ¢50-¢85 மிமீ
பாட்டில் உயரம்: 80-250 மிமீ
பாட்டில் விட்டம்: ¢30-¢85mm
அதிகபட்ச வெற்றிடம்: -0.08mpa
கேப்பிங் முறுக்கு: 5-20N.M
காற்று நுகர்வு: 0.6M3/0.7Mpa
இயந்திர பரிமாணங்கள்: சுமார் 3000×1000×1900மிமீ
எடை: சுமார் 850 கிலோ
Vk-Rpl வட்ட பாட்டில்கள் ஜாடிகள் லேபிளிங் இயந்திரம்

விண்ணப்பம்: சவ்வு இணைக்கப்பட்ட லேபிள் அல்லது தயாரிப்பின் சுற்றளவு மேற்பரப்பு தேவை.
தொழில்: உணவு, மருந்து, அழகுசாதனப் பொருட்கள், ஒப்பனை, மின்னணு, உலோகம், பிளாஸ்டிக் மற்றும் பிற தொழில்களில் பரவலாகப் பயன்படுத்தப்படுகிறது.
விண்ணப்பம்: PET சுற்று பாட்டில் லேபிளிங், லேபிளிங் பிளாஸ்டிக் பாட்டில்கள், பதிவு செய்யப்பட்ட உணவு மற்றும் பல.

பொருத்தமான லேபிள் நீளம் (மிமீ): 20 மிமீ ~ 314 மிமீ
பொருந்தும் லேபிள் அகலம் (பேக்கிங் பேப்பர் அகலம் / மிமீ): 15 மிமீ ~ 150 மிமீ
பொருந்தக்கூடிய தயாரிப்புகளின் விட்டம் (சுற்று பாட்டிலுக்கு) மற்றும் உயரம்: விட்டம்: φ25mm ~ φ100mm
உயரம்: 25 மிமீ ~ 230 மிமீ
பொருந்தக்கூடிய நிலையான ரோல் விட்டம் (மிமீ): φ280மிமீ
பொருந்தக்கூடிய நிலையான ரோல் விட்டம் (மிமீ): φ76 மிமீ
லேபிளிங் துல்லியம் (மிமீ): ± 1மிமீ
நிலையான வேகம் (மீ / நிமிடம்): சர்வோ: 5 ~ 25 மீ/நிமிடங்கள்: 5 ~ 19 மீ / நிமிடம்
லேபிளிங் வேகம் (பிசிக்கள் / நிமிடம்): ஸ்டெப்பிங்: 30 ~ 80பிசிக்கள்/நிமிடம் (பாட்டில் மற்றும் லேபிள் அளவுடன்)
சேவை: 40 ~ 120pcs/min
கன்வேயர் வேகம் (மீ / நிமிடம்): 5 ~ 25 மீ / நிமிடம்
எடை (கிலோ): சுமார் 185 கிலோ
அதிர்வெண் (HZ): 50HZ மின்னழுத்தம் (V): 220V
பவர் (W): 530W (டிராக்ஷன் ஸ்டெப்பர்) 980W (டிராக்ஷன் சர்வோ)
சாதன பரிமாணங்கள் (மிமீ) (எல் × டபிள்யூ × எச்): 1950 மிமீ × 1100 மிமீ × 1300 மிமீ


மர பெட்டி பேக்கிங்:

வரியை நிரப்புவதற்கான விற்பனைக்குப் பிந்தைய சேவை

முக்கிய பகுதிகளின் தரத்தை 12 மாதங்களுக்குள் நாங்கள் உத்தரவாதம் செய்கிறோம். ஒரு வருடத்திற்குள் செயற்கையான காரணிகள் இல்லாமல் முக்கிய பாகங்கள் தவறாக இருந்தால், நாங்கள் அவற்றை இலவசமாக வழங்குவோம் அல்லது உங்களுக்காக பராமரிப்போம். ஒரு வருடத்திற்குப் பிறகு, நீங்கள் பகுதிகளை மாற்ற வேண்டும் என்றால், நாங்கள் உங்களுக்கு சிறந்த விலையை வழங்குவோம் அல்லது அதை உங்கள் தளத்தில் பராமரிப்போம். அதைப் பயன்படுத்துவதில் உங்களுக்குத் தொழில்நுட்பக் கேள்வி ஏற்படும்போதெல்லாம், நாங்கள் உங்களுக்கு ஆதரவளிக்க எங்களால் முடிந்த அனைத்தையும் செய்வோம்.
தர உத்தரவாதம்:
இந்த ஒப்பந்தத்தில் குறிப்பிடப்பட்டுள்ள தரம், விவரக்குறிப்பு மற்றும் செயல்திறனுடன் அனைத்து விதங்களிலும் முதல் தர வேலைப்பாடு, புத்தம் புதியது, பயன்படுத்தப்படாதது மற்றும் அனைத்து வகையிலும் உற்பத்தியாளரின் சிறந்த பொருட்களால் செய்யப்பட்டவை என்று உற்பத்தியாளர் உத்தரவாதம் அளிக்கிறார். தர உத்தரவாத காலம் B/L தேதியிலிருந்து 12 மாதங்களுக்குள்.
தர உத்தரவாதக் காலத்தில் உற்பத்தியாளர் ஒப்பந்தம் செய்யப்பட்ட இயந்திரங்களை இலவசமாக பழுதுபார்ப்பார்.
முறையற்ற பயன்பாடு அல்லது வாங்குபவரின் பிற காரணங்களால் முறிவு ஏற்பட்டால், உற்பத்தியாளர் பழுதுபார்க்கும் பாகங்களைச் சேகரிப்பார்.
நிறுவல் மற்றும் பிழைத்திருத்தம்:
விற்பனையாளர் தனது பொறியாளர்களை நிறுவல் மற்றும் பிழைத்திருத்தத்திற்கு அறிவுறுத்துவதற்காக அனுப்புவார். செலவு வாங்குபவரின் பக்கத்தில் இருக்கும் (சுற்று வழி விமான டிக்கெட்டுகள், வாங்குபவர் நாட்டில் தங்கும் கட்டணம்). நிறுவல் மற்றும் பிழைத்திருத்தத்திற்கு வாங்குபவர் தனது தள உதவியை வழங்க வேண்டும்.









